Объявление

Свернуть
Пока нет объявлений.

Благотворительность на Витебщине

Свернуть
Это закреплённая тема.
X
X
 
  • Фильтр
  • Время
  • Показать
Очистить всё
новые сообщения

  • Благотворительность на Витебщине

    Уже время начать традиционный сбор средств для Дома ребенка. 1 июня не за горами.
    Дима е мелко на связи с ними. Потребности есть, и мы можем помочь по мере сил.
    Сбор средств беру на себя. Мой мобильный 716 11 41 (МТС), Сергей.
    Звоните, кто желает и может помочь. Подъехать в удобное для встречи место для меня не проблема.
    Последний раз редактировалось Zloy_KennY; 02.05.2013, 06:48.
    Everything that kills me makes me feel alive..

  • #77
    Сообщение от exporate Посмотреть сообщение
    Из дерева будет лучше всего- теплое и не скользкое... только вот пару нюансов- труба 25-ка...
    Что теплее - это понятно, но не думаю, что у них там постоянный дубарь. Ну, а трубка 25-ка тонковата. Хотя у exporate дешевле будет, чем где -нить у госпредприятия заказывать. Стоп: знаю частную фирму по производству металлоизделий, но может у них металла соответсвующего не оказаться. Нужно уточнять. Для начала размеры нужны.

    Комментарий


    • #78
      А в автобусном нет знакомых ни у кого.Икарусы то списывают.Может поручень там можно как нибудь добыть.
      Только русский человек, услышав слова "Сто грамм" не спрашивает "Чего?":D:D:D
      Женя МТС 7133586

      Комментарий


      • #79
        2DROZDOFF- у меня, то что есть- стоить не будет ничего, то чего не хватит- будет по оптовым ценам, т.е. дешевле это только если украсть.))) Весь конструктор готовый и доработки не требует. На счет дубака- сомневаюсь, что там сильно жарко у них, ИМХО дерево лучше. На счет диаметра- да, согласен, что тонковато, но во первых у них и этого нет, так что если даже гнилую газовую трубу прикрутить- уже лучше чем ничего не говоря уже об итальянском хроме, во вторых- это дети и может не сильно критично будет не такая уж толстая труба для руки ребенка.

        Добавлено через 3 минуты
        2Рыбарь 1980
        В автопарке и своих желающих хватает, да еще неизвестно, какой погонаж труб необходим! Смотри, чтобы год трубы собирать не пришлось, автобусы сейчас гонять до последнего издыхания стараются.
        Последний раз редактировалось exporate; 24.12.2010, 20:51. Причина: Добавлено сообщение
        Не верь, не бойся, не проси

        Комментарий


        • #80
          Сообщение от BarteZ
          У кого есть дома одежда и игрушки в хорошем состоянии для детдома в Б.Лётцах и кто не против отдать их???[/SIZE][/B][/COLOR]

          1. BarteZ
          2. ........
          Так в Летцы поедет кто?
          Книжек,раскрасок собрал.Телефона BarteZа нигде не вижу.
          Григорий, Витебск.

          Комментарий


          • #81
            Сообщение от Григорий Посмотреть сообщение
            Так в Летцы поедет кто?
            Книжек,раскрасок собрал.Телефона BarteZа нигде не вижу.
            Короче ситуация такая на данный момент...деньги на ФЭСТе сданы ... список сдавших ниже ..сегодня в 16.00 с е_мелко едем закупаться(для Дома Малютки--->памперсы, обувь, погремушки, шарики)... по поводу Б.Лётцев до сих пор сам не в курсе ... будет народ станок для балета делать/ не будет делать ... по игрушкам никто не подписался и старым вещам .... смысл, Григорий, от меня и от тебя везти только???

            Поступления на благотворительные цели на данный момент:

            1. НЕОН - 20 000
            2. Пахомыч - 60 000
            3. BarteZ - 30 000
            4. Ю.Егоров - 20 000
            5. melich2 - 20 000
            6. Виктор Долгопольский - 10 000
            7. Влад@net - 20 000
            8. Марк(мой друг) - 20 000
            9. Француз(с Берновского закрытия 2009) - 20 000
            10.mifin - 60 000
            11.е_мелко - 20 000
            12.bitt-boy - 30 000
            13.dolphin - 30 000
            14.sportsmen - 20 000
            15.edisson - 10 000
            16.ESP77 -20 000
            18.kolosov - 10 000
            19.виктор гор - 10 000
            20.П.А.Н. - 10 000
            21.тварь - 30 000
            22.Лоцман -20 000
            23. Iceman07 -20 000
            24.kluy - 10 000
            25.CCCP - 10 000
            27.ANS - 40 000
            29.sergey.a-40 000
            30.Рыбарь 1980 - 20 000
            31.DEMON-1979 - 10 000
            32.Dohtor - 10 000
            33.vovan8122 - 10 000
            34.поплавок - 10 000
            35.БИВ - 15 000
            36.nuestro_amigo - 30 000
            37.Waterman - 20 000
            38.Лапенков Сергей - 20 000
            39.fainana - 10 000
            40.sl2man - 20 000
            41.Jeko - 20 000
            42.Игорь(мой брат) - 10 000
            43.Васик74 - 20 000
            44.DROZDOFF - 10 000

            ... по списку получается 845 000 ... у меня на руках 960 000 ... кого-то не записал по ходу я в субботу, хотя вроде всех конспектировал:D:D:D...может вливания позже поступали, когда уже все под ОРТом были ...
            Последний раз редактировалось BarteZ; 27.12.2010, 16:14.
            Everything that kills me makes me feel alive..

            Комментарий


            • #82
              Сообщение от BarteZ Посмотреть сообщение
              ... по игрушкам никто не подписался и старым вещам .... смысл, Григорий, от меня и от тебя везти только???
              Готов подписаться.Есть игрушки в нормальном состоянии а выбросить жалко. Почему бы к Рождеству не собрать.
              Свой вклад готов доставить в Витебск сам - вопрос кому.
              С уважением Сергей.
              __________________________________
              «Мы все - братья и нам нечего делить! Воды и берега хватит на всех!» © Шишов Игорь(Рыжий)

              Комментарий


              • #83
                Сообщение от HEOH Посмотреть сообщение
                Готов подписаться.Есть игрушки в нормальном состоянии а выбросить жалко. Почему бы к Рождеству не собрать.
                Свой вклад готов доставить в Витебск сам - вопрос кому.
                + Jeko подписался и Пескарище ...я забыл про них ...
                Everything that kills me makes me feel alive..

                Комментарий


                • #84
                  Закупили с Кириллом 13 упаковок памперсов и 10 пар обуви(больше не было размеров)Завтра едем на утренник.Отчёт и фотки с Кирилла, уменя фотик крякнул.
                  лучше плохой день на рыбалке,чем хороший на работе 6872023 вел. 2957856 мтс. Дима.

                  Комментарий


                  • #85
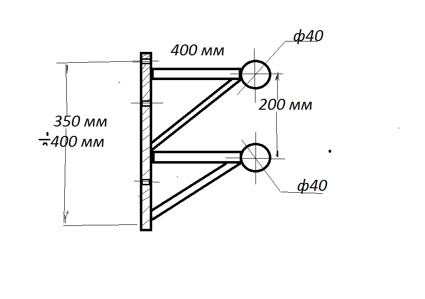
                    По балетному станку из последнего источника ;):
                    Диаметр трубы должен быть такой, что бы дети не могли её обхватить пальцами, а только опираться кистью. Примерно 40 мм. Кронштейны с вылетом 0,4м. Крепиться будут к внутренней стене (скорее всего кирпичная кладка). Нужно пару совмещенных пролётов по 2-3м и один отдельный пролёт на 2м. Каждый пролет из 2 труб (одна 0,8 м от пола, вторая 1м).

                    Итого 6 труб по 2м длиной диаметром 40мм. Думаю над вариантом деревянных брусков круглого сечения. При такой длине и диаметре они будут иметь необходимую жесткость.

                    По кронштейнам. Желательно делать единый кронштейн для верхней и нижней трубы. Довольно жесткий, т.к. по словам педагога детки любят повисеть и полазить, и данное устройство будут испытывать на жесткость и кручение (не заботясь об эпюрах напряжений и запасе прочности конструкции) :). Короче - кронштейны жалезныя надобно. Обрезок трубы (куда будут вставляться пролеты), приваренный к треугольной жесткой конструкции из трубы или уголка. Сдвоенных кронштейнов надо 5 шт.
                    Нажмите на изображение для увеличения.

Название:	станок.jpg
Просмотров:	1
Размер:	65.0 Кб
ID:	3402378Нажмите на изображение для увеличения.

Название:	кронштейн.jpg
Просмотров:	1
Размер:	54.1 Кб
ID:	3402380

                    Хотя руководитель рада и простой конструкции из черного железа, которую они готовы собственноручно ежегодно красить.
                    Но, ИМХО, дерево проще, а покрытое лаком, еще и теплее для руки и "благороднее" выглядит.

                    DeMoN-1979, просчитай конструкцию. Это твой "хлеб". Я уже подзабыл многое :(.
                    Последний раз редактировалось kolosov; 27.12.2010, 22:43.
                    +375-29-714-57-28 МТС
                    Поймал - съешь! А ради собственного спортивного удовольствия мучить Божию тварь, пусть даже и хладнокровную, могут лишь очень жестокие люди. По общечеловеческим нормам этики и морали - это садизм, а по законам Божеским - грех.

                    Комментарий


                    • #86
                      утренник

                      Отчёт о поездке на утренник
                      Отчёт на фотографиях ...там всё видно, писать особо нечего...дети маленькие и беспомощные, в каждом видящие папу или маму..:(
                      Были люди из райисполкома, мединститута, управление охраны по Первомайскому району, но не сказал бы,что народу было много ... узнав о "витебских рыбаках", все были удивлены ... пришлось даже речь "толкать",рассказывать, кто мы, что мы и как мы


                      P.S.Спасибо Тинычу ... вчера кинул Инесске 50 000 на МТС ... но мы увидели их уже после закупки ... то есть 50 000 + 25 000(остаток с фонда-> шарики не успели купить) ===>>> идут на следующий раз ... то есть уже есть 75 000 ... предлагаю в следующий раз поехать в детдом в Б.Лётцах ...уже сейчас можно отдавать игрушки, одежду, деньги ... делать балетный станок ... думаю, что поедем после ЗАКРЫТИЯ ЗИМНЕГО РЫБОЛОВНОГО СЕЗОНА ...

                      Руслану(Iceman07) спасибо за выход на памперсы с хорошей скидкой

                      всем огромное спасибо за участие в этой акции...
                      Последний раз редактировалось BarteZ; 28.12.2010, 16:02.
                      Everything that kills me makes me feel alive..

                      Комментарий


                      • #87
                        Были на утреннике в Доме ребёнка вместе. Директор детдома от нашей организации в восторге. Все подарки учтены в местной бухгалтерии, так что всё дойдёт по назначению. Уже завтра со склада будут обувать в нашу обувь деток. Снимало телевидение. Завтра будет репортаж по TV (правда точно не знаю по какому каналу) в Витебских новостях. Смотрите! Всем, кто участвовал в акции большое спасибо от деток и от администрации!!!!!!
                        лучше плохой день на рыбалке,чем хороший на работе 6872023 вел. 2957856 мтс. Дима.

                        Комментарий


                        • #88
                          Блин вроде совсем ерунда-а на душе как-то приятно.Спасибо всем рыбакам принявшим участие в данном мероприятии.Отдельно Кириллу за организацию.Ну чо ж надо продолжать в том же духе.

                          Комментарий


                          • #89
                            молодцы!!!!!!!!!!!!!!!!!!!!!!!!!!!!!!!!!

                            Добавлено через 4 минуты
                            Сообщение от kolosov Посмотреть сообщение
                            По балетному станку из последнего источника ;):
                            Диаметр трубы должен быть такой, что бы дети не могли её обхватить пальцами, а только опираться кистью. Примерно 40 мм. Кронштейны с вылетом 0,4м. Крепиться будут к внутренней стене (скорее всего кирпичная кладка). Нужно пару совмещенных пролётов по 2-3м и один отдельный пролёт на 2м. Каждый пролет из 2 труб (одна 0,8 м от пола, вторая 1м).

                            Итого 6 труб по 2м длиной диаметром 40мм. Думаю над вариантом деревянных брусков круглого сечения. При такой длине и диаметре они будут иметь необходимую жесткость.

                            По кронштейнам. Желательно делать единый кронштейн для верхней и нижней трубы. Довольно жесткий, т.к. по словам педагога детки любят повисеть и полазить, и данное устройство будут испытывать на жесткость и кручение (не заботясь об эпюрах напряжений и запасе прочности конструкции) :). Короче - кронштейны жалезныя надобно. Обрезок трубы (куда будут вставляться пролеты), приваренный к треугольной жесткой конструкции из трубы или уголка. Сдвоенных кронштейнов надо 5 шт.
                            [ATTACH]82457[/ATTACH][ATTACH]82459[/ATTACH]

                            Хотя руководитель рада и простой конструкции из черного железа, которую они готовы собственноручно ежегодно красить.
                            Но, ИМХО, дерево проще, а покрытое лаком, еще и теплее для руки и "благороднее" выглядит.

                            DeMoN-1979, просчитай конструкцию. Это твой "хлеб". Я уже подзабыл многое :(.
                            скажите сколько надо анкеров для крепления поручня
                            мот на работе достану
                            Последний раз редактировалось БИВ; 29.12.2010, 13:34. Причина: Добавлено сообщение
                            С ув... Игорь... +375 33 3114073 мтс......

                            Комментарий


                            • #90
                              Спасибо всем, кто внёс посильную лепту в эту благотворительную акцию!
                              Когда ехали на утренник, думал, ну передадим купленное, делов-то...но стоило посмотреть на этих малышей и заглянуть в их радостные глазки, и сразу стало понятно, насколько они нуждаются в нашем внимании...Пусть оно и не такое "масштабное", но если каждый сможет привнести свой маленький "кусочек" этого самого внимания, у этих детишек всегда будут такими радостными глазёнки, которые мы видели сегодня утром! Поверьте, это дорогого стоит!
                              Я думаю в наших с вами силах сделать подобные посещения регулярными...
                              Все мы из воды вышли, все туда и вернемся...

                              Комментарий


                              • #91
                                молодцы,ПАРНИ!!!нет слов!
                                жалею,что не участвовал в мероприятии...

                                Комментарий

                                Просматривают:

                                Свернуть

                                Обработка...
                                X