Объявление
Свернуть
Пока нет объявлений.
Лодочные бензомоторы. Обсуждение, вопросы и ответы
Свернуть
X
-
у меня стоИт не штатный мерковский 9 х 9, а Солас 9,25 х 10 для Ямахи. интересно, что этот Солас становится на мерк без задней шайбы, а на Ямаху штатный мерковский не становится ( не помню: или шлицы чуть пошире у ямы, или что то другое - пробовали товарищу на яму 15 2т штатный с мерка 15 - не становился) . а на хонду паренька становится Солас 9,25 х 8 - ему дали попробовать этот винт, я его сам ему ставил, потом поставил этот винт на свой мерк для интереса стал как и мой Солас 9,25 х10 -( перекрут сильнейший на моей лодке с шагом 8 дюймов) . а вот поставить мой Солас 9,25 х 10 не получилось по обстоятельствам : то мне нужна лодка, то паренек по хозяйству занят. но уверен, что мой винт солас станет на хонду.
-
Мерковский на Хонду,у меня,не подошел...Сообщение от юрий юрьевич Посмотреть сообщениепоставлю ему свой винт (солас 9,25 Х10) винт в меру тяжел для МЕРК15 2Т
Прокомментировать:
-
а у меня за более 10 лет с м9,9, потом с м 15 возникало. несколько раз при переливе, чтоб не дергать лишний раз шворку - давал газ сняв капот. но можно и без этого. и когда УОЗ добавлял и примерно прикидывал насколько резче набор оборотов от холостых при том или ином УОЗ. и второе преимущество М15: можно сняв капот добавлять газ при неизменном УОЗ для точной настройки УОЗ в конкретном моторе . у других 15-ек добавить газ при постоянном УЗО не удастся без некоторой разборки привода. возможность добавить газ на нейтрали - неплохая способность, но мультик мерка перекрывает эту способность , бывающую востребованной весьма редко в исправном моторе. неважно какого бренда
Прокомментировать:
-
Если ты это мне, то прочел, и даже ответил... про гаечку твою любимую.Сообщение от ХЛОПЕЦ Посмотреть сообщение..не прочёл.. ?
А насчет "острых" японцев - да, сделали они мультирумпель, но, поскольку сильно опоздали за "тупыми" америкосами, и чтоб не нарушать патентное право, пришлось им свой "мультирумпель" мудрить путем усложнения и удорожания конструкции. Ну и кто тут тупой? :D
Для тех, кто в танке, повторяю - за 7 (семь) лет эксплуатации М15МЕ ни необходимости, ни желания "прогазовать на холостых" не возникло НИРАЗУ.
Прокомментировать:
-
..не прочёл.. ?Сообщение от ХЛОПЕЦ Посмотреть сообщениеhttps://youtu.be/VBAsq7nVrTU
Не зря Задорнов на америкосов говорит , что "тупые" - "острые" японцы мультирумпель сделали , и даже...гаечку на ниточке выводить не нужно , все функционально и раздельно ,т.е. держась за румпель одной рукой можно и "прогазовать" и передачу включить .
Миниатюры
Прокомментировать:
-
-
личку смотрю, когда вижу "новое личное сообщение". сейчас у меня там 5 сообщений вроде предложения дружбы, что то еще. я не совсем понимаю что такое "предложения дружбы". и так как не считаю себя столь уважаемой особой, с осторожностью отношусь к непонятному мне предложению. счас глянул
Фальконер, : спасибо! это важно для решения моей задачи!
Dragon, эти три совета не по теме моего вопроса. "Какая в пиз... как она обзываться катушка или бриолина да и какая разница между катушкай как вы её обозвали и бобиной как я ? я писал про один цилиндр и выглядит он так Вложение 528369 и как вы её обзовёте катушкой или бобиной? " --------------- предпочитаю на ТЕХНИЧЕСКИЕ темы общаться с грамотными людьми, понимающими разницу между генерирующей катушкой и повышающим трансформатором, между поршнем и румпелем, колесом автомобиля и тоже круглым рулевым колесом.Последний раз редактировалось юрий юрьевич; 24.10.2016, 05:07.
Прокомментировать:
-
юрий юрьевич тебе дали три совета а ты все три обосра....тогда если ты такой вумный по колесу постучи мот откручено а мот просто геморрой.
Какая в пиз... как она обзываться катушка или бриолина да и какая разница между катушкай как вы её обозвали и бобиной как я ? я писал про один цилиндр и выглядит он таки как вы её обзовёте катушкой или бобиной?
Последний раз редактировалось Dragon; 23.10.2016, 22:06.
Прокомментировать:
-
Сообщение от ХЛОПЕЦ Посмотреть сообщение....гаечку на ниточке выводить не нужно ....
Прокомментировать:
-
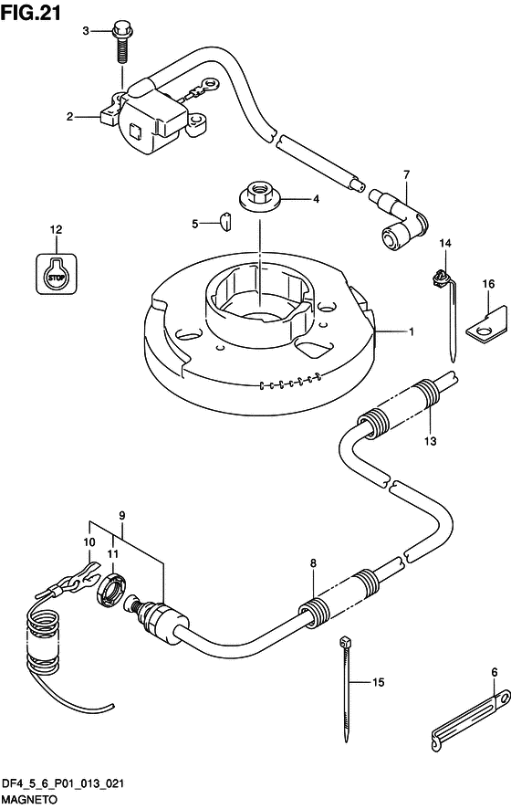
[QUOTE=Dragon;2255167]Под номерам 4 тоже уня бобиной обзывается.[/QUOTE ---------------------------------------------- под номером 4 находиться катушка, в которой наводится ЭДС( ток ) для работы системы зажига. расстояние между концами сердечника этой катушки и магнитами маховика, да, впрямую влияют на силу тока, поступающего в систему зажига. при более сильном токе - вся система работает, понятно, устойчивее. так получилось и у Вас. я же спрашиваю о количестве оборотов, при которых "мозги" мотора сбрсывают обороты.
под бобиной обычно понимается высоковольтный трансформатор. на его первичную обмотку поступает ток от "уйни", а на вторичной, в момент размыкания контактов или разрыва цепи электронным прибамбасом, возникает импульс гораздо большего напряжения, который направляется на свечу для искры.
Дрейхан я спрашиваю применительно не у к условиям гаража или мастерской и, уверяю Вас , что знаком с решением указанной мной проблемы при наличии оборудования. Повторяю: спрашивал не о том КАК (еще раз позволю себе напомнить, что вроде как знаю теорию и пракику ДВС) а о ПРИЗНАКАХ срабатывания ограничителя оборотов при его наличии. и неважно: наступят эти признаки на 6 тыс, или 5900 оборотов - мне слышно, что эта хонда крутит быстрее , чем аналогичные даже на легких гуандонах - и не нужно быть Моцартом для этого. Еще раз: я просил не методику , а ощущения тех, кто испытал работу отсечки
Драгон, если Вы называете "бобиной" низковольтную катушку, то да, действительно: разговоры с Вами на технические темы - неперспективны. давайте лучше о другом и не подключайтесь в оценках к Грейхану: мне кажется, что он достаточно эрудирован по ДВС в отличии, извините, от Вас
Александр Ш. , спасибо похоже так у этой хонды. паренек-владелец занят на работе , я -0на рыбалке. на следующих выхах поставлю ему свой винт (солас 9,25 Х10) винт в меру тяжел для МЕРК15 2Т и нормально нагрузит Х20 для таких оборотов, когда они явно не превысят рубеж злектронной отсечки (если она есть, повторю)_Последний раз редактировалось юрий юрьевич; 23.10.2016, 17:58.
Прокомментировать:
-
-Сообщение от JASTICE Посмотреть сообщениеА ты мне кто ? мать тереза лечить будешь Это обычный вопрос задонный ребятам и хотелась бы получить ответ,а ты свои секреты Александр Двин оставь при себе и глубже засунь Ничего личного
1. Хамить перестань.
2. Пиши грамотно, сам не умеешь в Worde набери потом сюда скопируй. В противном случае "задонные" вопросы, так и будут лежать за дном...
Прокомментировать:
-
Судя по всему постановка диагноза мотору дистанционно, по не очень хорошему описанию, уже всем поднадоело. Вопросы одни и те же, ответы тоже. Может эту практику по диагностике прекратить и ограничиться поиском ближайшего специалиста!?
Прокомментировать:
-
https://youtu.be/VBAsq7nVrTUСообщение от Greihan Посмотреть сообщениеСообщение от ХЛОПЕЦ
Что бы "прогазовать , т.е. прос....ться" не на передаче нужно веревочку с гаечкой выводить наружу , за колпак - вах , сильно удобно .
А похолодает ??...и все превращается в "дрочччъ .
ХЛОПЕЦ, ты будеш смеяцца, но за 7 (семь) лет эксплуатации ниразу не возникло необходимости "т.е. прос....ться"... И с "А похолодает ??" - никаких проблем.
Не зря Задорнов на америкосов говорит , что "тупые" - "острые" японцы мультирумпель сделали , и даже...гаечку на ниточке выводить не нужно , все функционально и раздельно ,т.е. держась за румпель одной рукой можно и "прогазовать" и передачу включить .1 Фото
Прокомментировать:
-
А ты мне кто ? мать тереза лечить будешь Это обычный вопрос задонный ребятам и хотелась бы получить ответ,а ты свои секреты Александр Двин оставь при себе и глубже засунь Ничего личного
Прокомментировать:
-
Ребят ..... На хорошо прогретый мерок 5- 4 т На холостых при включенной передаче начинает захлебываться и глохнуть ,другой раз и завести проблематично. Покупка и замена свечки поможет? Или жехлер забит чистить? или где то глубже искать? подскажите начинающему водномоторнику
Прокомментировать:
Просматривают:
Свернуть
Прокомментировать: